電子工廠化學水處理技術
反滲透是現今水處理工藝中普遍用到的技術,社會信息的發展帶動了電子行業的蓬勃生機,電子廠為獲得純凈除鹽水,一般通過三種水處理技術。
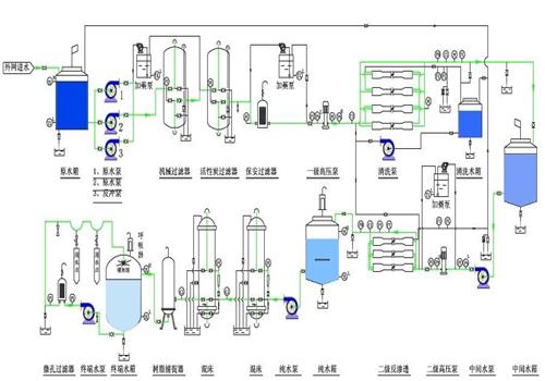
采用反滲透+混床制水方式:
原水→絮凝澄清池→多介質過濾器→活性碳濾器→精密過濾器→保安過濾器→高壓泵→反滲透裝置→中間水箱→混床裝置→樹脂捕捉器→除鹽水箱。
采用預處理、反滲透+EDI 制水方式:
原水→絮凝澄清池→多介質過濾器→活性炭過濾器→超濾裝置→反滲透裝置→反滲透水箱→EDI裝置→微孔過濾器→除鹽水箱。
采用傳統澄清、過濾+離子交換方式:
工藝流程為:原水→絮凝澄清池→多介質過濾器→活性炭過濾器→陽離子交換床→除二氧化碳風機→中間水箱→陰離子交換床→陰陽離子交換床→樹脂捕捉器→機組用水。
以上三種水處理方式是目前電子廠獲得純凈除鹽水的主要工藝,其他的水質凈化流程大都是在以上三種制水方式的基礎上進行不同組合而搭成的制水工藝流程。
以上文章是來源于君浩環保(http://www.qdbzjd.cn),專注于反滲透的生產銷售17年,轉載請注明出處。




